Скат (горка) винтовой с высоты 1.50м.

В наличии: Есть
Востребованность у покупателей:
  • 50

Горка винтовая литая для платформы высотой от 1,34 до 1,69 метра.

Для мест общего доступа. Из полиэтилена высокого давления.

Для круглогодичного использования на улице и внутри помещений.

Специальные антистатическая добавки, УФ-фильтры и пластификаторы.

Материал: LLDPE - высокопрочный пищевой пластик высокого давления (можно использовать в помещении).

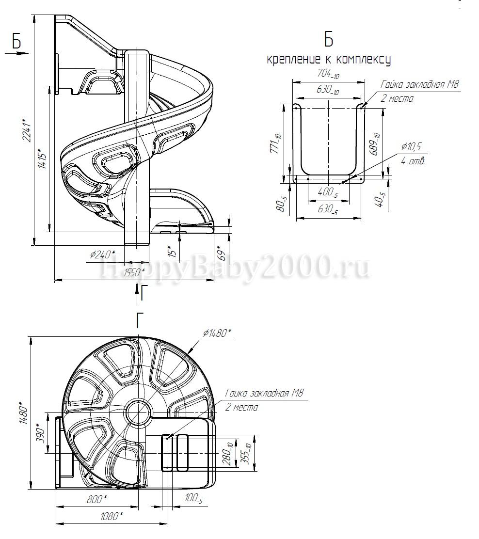
Общая высота: 2.24м.

Диаметр: 1.48м.

Ширина проема для скольжения 540мм. (достаточна для спуска взрослого человека в зимней одежде).

Высота борта на участке скольжения: до 350мм.

Наружная ширина: 704мм.

Поворот по часовой стрелке: 360градусов.

Стандартные цвета: жёлтый, красный, синий, тёмно-зелёный, светло-зелёный (салатовый), оранжевый, синий, светло-синий (голубой), сиреневый, серый (тёмный и светлый), коричневый.
Нестандартные цвета: белый, чёрный и др.

Широкий температурный диапазон эксплуатации: -40 +60;

СКАТ ВИНТОВОЙ открытый 1.5-360градусов изготовлен методом ротоформовки.

Сертификация: Ростест.

Соответствует ГОСТ РФ 52168-2003

ВНИМАНИЕ !!! В наличии имеются только винтовые горки закрученные по часовой стрелке.

Цвет: синий, желтый, красный, зеленый, голубой, салатовый, оранжевый, белый, серый.
Другие цвета - по запросу.

Габариты для транспортировки: 2.24 м., диаметр 1.50м.

Примерный объем при транспортировке (по данным ПЭК) - 3.32 м3

ВНИМАНИЕ !!! В наличии имеются только винтовые горки закрученные по часовой стрелке.

Для крепления к игровому комплексу - у горки имеется специальная усиленная «выплавка» с гайками. Или крепежные отверстия легко сверлятся «по месту», в соответствии с расположением отверстий на вашей конструкции (или наоборот).

Снизу необходимо вставить (в «ось» винта) металлическую трубу (D до 200 мм, длина от 2.30м.), которая в последствии бетонируется в землю. Вставленная труба должна плотно прилегать к верхней части оси винта. Чтобы при бетонировании труба не выскользнула из винта в яму с бетоном - желательно в неё через пластик вкрутить любой саморез.

Для бетонирования оптимально использовать трубу ⌀158мм длиной 2.50м. 

После монтажа подпорка под «выходом» ската должна плотно прилегать к поверхности земли!!!

Производитель: HappyBaby2000


Разрешённые теги: <b><i><br> Ваш вопрос:


Каталог

Поиск товара